新闻中心NEWS
最高检挂牌督办!从北京长峰医院消防设施年度检测报告看有哪些消防隐患?
发布时间:2023/10/27

4月18日,北京市丰台区北京长峰医院发生重大火灾事故,造成29人死亡。案发当日,北京市公安局丰台分局以涉嫌重大责任事故罪对相关责任人员立案侦查,后对北京长峰医院及施工单位15人刑事拘留,目前该案正在侦查中。
为依法严厉打击危害安全生产刑事犯罪,保护人民群众生命财产安全,最高检对北京长峰医院重大火灾事故案挂牌督办,要求北京市检察机关充分发挥检察职能作用,协同公安机关及有关部门,依法查明各方责任,夯实案件证据基础,依法惩处相关犯罪,维护被害人合法权益;同时,强化溯源治理,助推安全生产风险防范和综合治理。
北京长峰医院火灾事故暴露出安全生产隐患排查整治不到位、安全生产责任不落实等问题,检察机关将持续加大对危害生产安全刑事犯罪打击力度,以落实最高检“八号检察建议”为抓手,督促相关职能部门加强和改进安全生产监管工作,抓早抓小抓苗头、抓制度规范落实、防患于未然,切实保护人民群众生命财产安全。
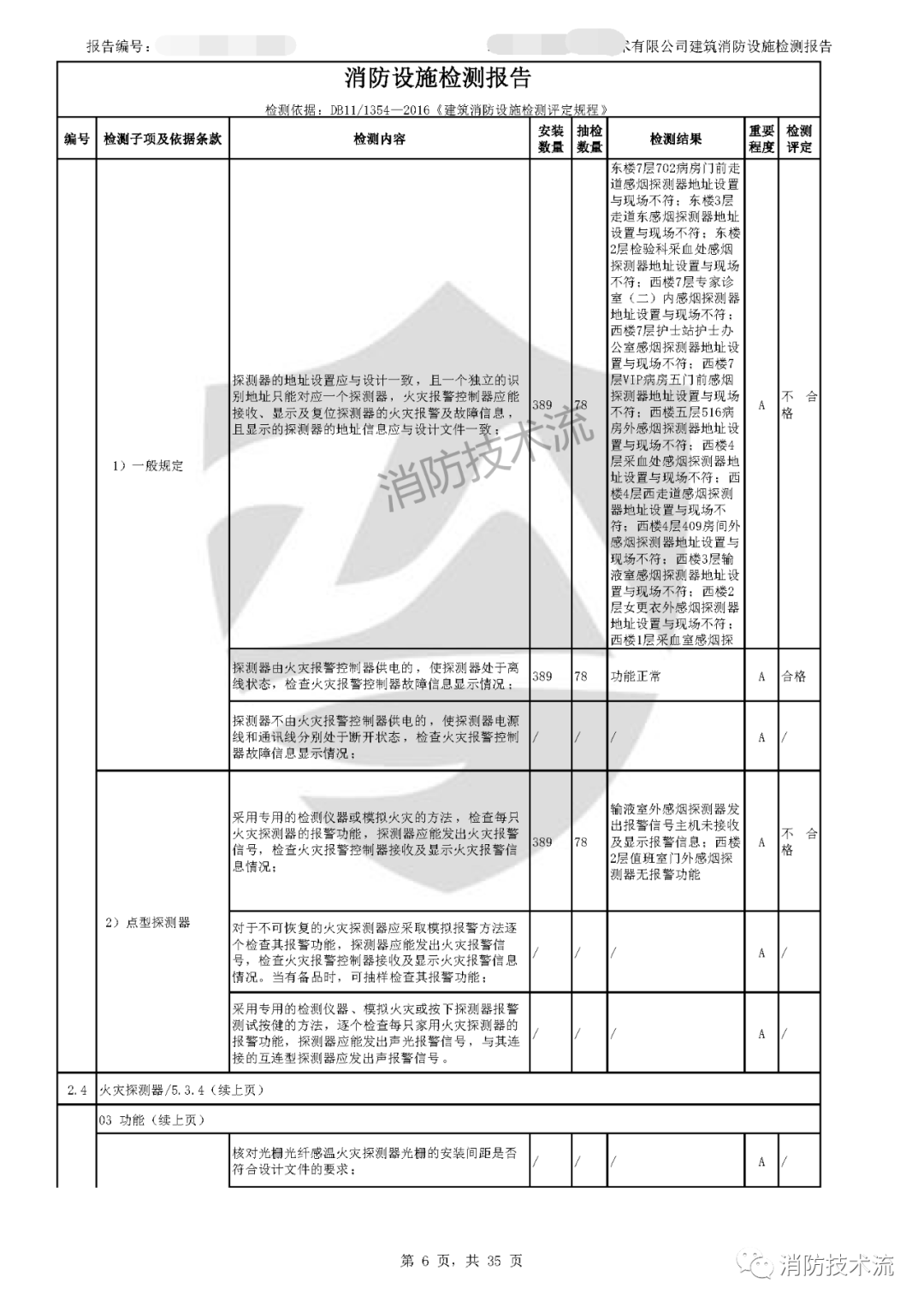
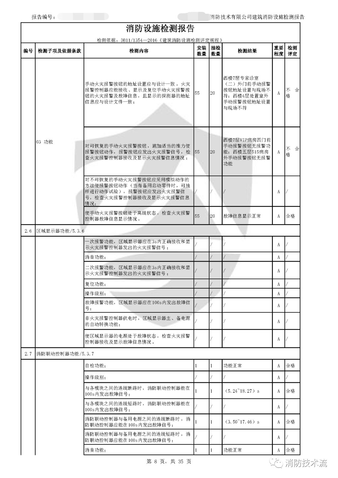
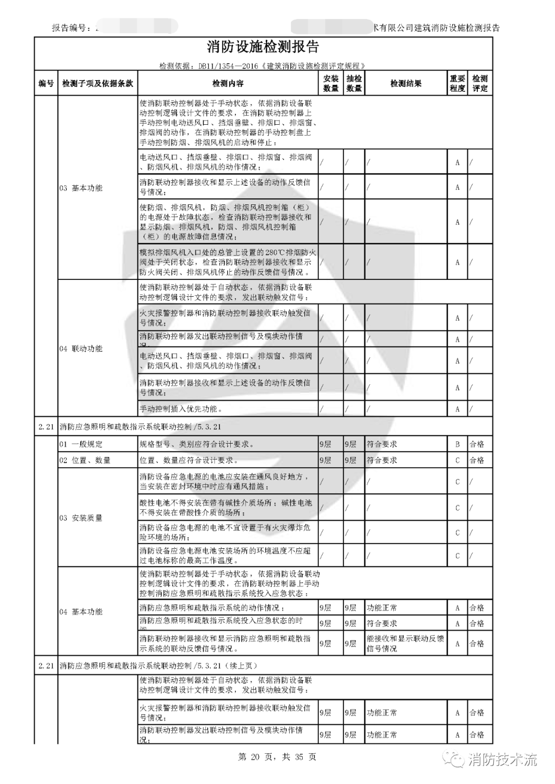
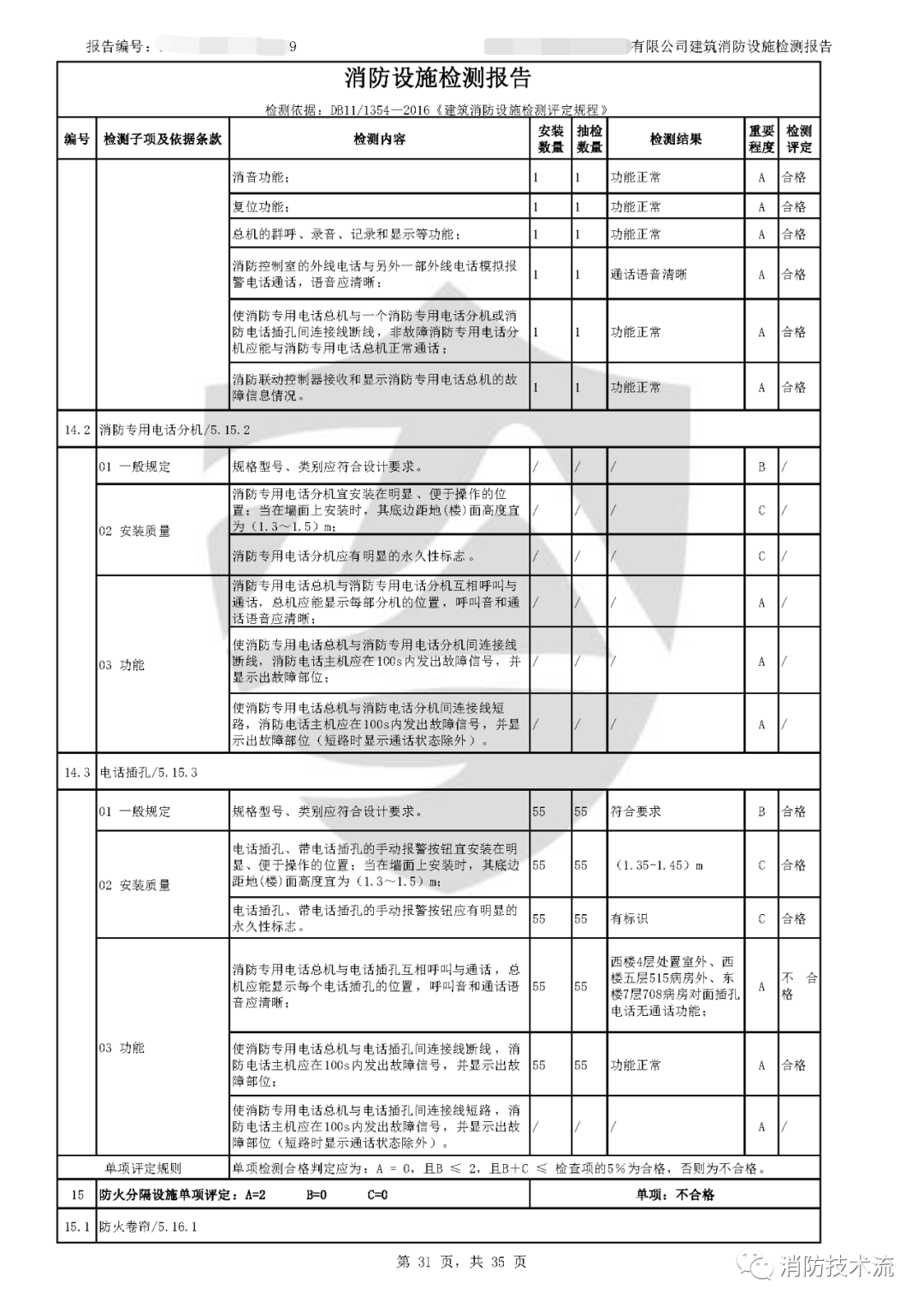
北京当地一家消防技术服务机构在2021年1月份对长峰医院的消防设施进行年度检测,并出具报告,下面是报告部分内容。



根据该报告内容,检测时间为2021年1月,建筑内的消防设施有:消防供配电设施、火灾自动报警系统、消防给水及消火栓系统、自动喷水灭火系统、消防应急照明和疏散指示标志、消防专用电话系统、防火分隔设施、消防电梯、灭火器。检测综合结论为不合格。






报告显示部分火灾探测器、手动报警按钮报警地址与现场不符,个别设备不能报警等问题,火灾自动报警系统检测不合格。
















消火栓系统、自动喷水灭火系统管网无水,检测结果不合格。


个别应急照明灯照度不足、疏散指示标志不亮等问题,应急照明和疏散指示检测结果不合格。



部分防火门未安装顺序器、关闭不严密,防火门检测结果不合格。
